对于磨粉机来说,电机装置部分是整个设备的重中之重的部分,控制着整个雷蒙磨粉机的动向。今天所要了解的就是关于雷蒙磨粉机的电气部分的所有内容。

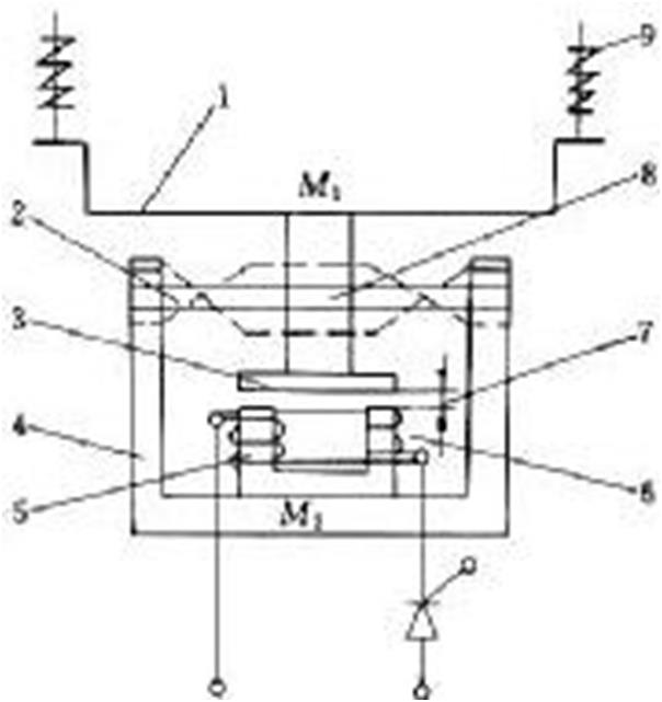
图3-1工作原理图
1-槽体;2-板弹簧组;3-衔铁;
4-壳体;5-铁芯;6-线圈;
7-气隙;8-联接叉;9-减振器
(2)整个电振给料机应自由状态悬挂,周围应有的游动间隙,不得有物料与给料机相碰,以免工作时产生噪声。
(3)安装完毕后应将用于定位连接叉及检时的螺钉松开(在振动器部位上面三个,下面一个),松开后将锁紧螺母拧紧。
(4)打开振动器后盖,检查铁芯与衔铁的气降是否在 1.8-2.1mm 范围内,是否平行和清洁,并检查所有螺钉有无松动现象,特别是压紧铁芯与衔铁及板弹簧螺钉,正常后盖上后盖。
(5)通电进行空载试车,调整电位器,由小逐渐缓慢加大,调节振幅,观察振幅与电流的变化情况,振幅在1.75mm±7%,电流在0.6-2.5A,连续工作1h以上看振幅与电流是否稳定,各部位螺钉有无松动现象。
在正常的情况下,打开料仓闸门进行物料输送,再次观察振幅(打开料仓厉振幅允许下降0.5mm,如下降太大应按电振给料机说明书检查料槽压仓与调整弹性系统)与电饭是否稳定,给料量是否满足要求。如振幅与电流均在额定值,若给料量仍未能满足要求,可将振动器吊装成一个向下的倾角,使之满足给料量要求,但倾角(槽体与水平夹角)不超过200。